
产品说明:
D41F 型 手动调节式四氟密封蝶阀PN6~PN10适用于各种不同类型工业管道中液体和气体(包括蒸 气)的输送,特别是具有严重腐蚀性介质的使用场合,如:硫酸、氢氟酸、磷酸、氯气、强碱等具有强腐蚀性的介质。
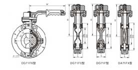
产品结构尺寸图:

安装注事事项:
1、安装前应核对蝶阀规格、压力、温度、耐腐性是否满足使用要求。 应检查各低部件是否损坏或松动。
2、本蝶阀可安装在任意角度的管道上,应关闭安装为宜;焊接管道法兰时应将阀门密封口用板挡住以防止颗粒、杂物挫伤密封面,焊后取下 阀门,对阀门密封面及管道内腔进行清洁,然后再安装固定阀门。
3、安装时请注意阀门关闭状态承压方向。
4、安装前应将密封面(两端密封面、蝶板密封面、阀座密封面)有效擦干净,去掉灰尘和污物。
5、安装前应空试蝶阀,启闭应灵活,启闭位置与指针指示位置相符合。
6、手动操作顺时针为关,逆时针为开,指针指示到位后不准再加力启闭阀门。
7、阀门做压力试验时,不准用单法兰进行安装试压,必须采用双法兰安装试压。其试验压力应符合GB/T13927-92标准规定。
8、紧固螺栓时应对称交替进行紧固,不准依次单独紧固。
9、限位螺钉出厂前,已经调好,不准轻易调整。若配置驱动装置为电动、气动请阅配套驱动装置说明书。
10、电动蝶阀出厂时已将控制机构的启闭行程调好。为防止电源接通时方向搞错,用户在接通电源前要先手动开启至半开位置,再按点动开关,检查指示盘方向与阀门开启方向一致即可。
11、发现阀门启闭失常应查明原因进行修理和排除,防止用加力方法开关阀门,造成阀门的损坏。