
产品简介:
D71X、D371X手动对夹衬胶软密封蝶阀主要结构由阀体,阀瓣,阀座,阀杆及传动操作机构等部件组成,阀座采用可脱卸构造,并可根据不同介质的物理化学特性,选用相应的耐高温,耐低温,耐腐蚀,耐光,耐老化材质。阀门球墨铸铁壳体内外表面可采用高温静电喷 涂环氧树脂粉末涂层,涂层具有较高的耐腐蚀性能,与球墨铸铁基体具有极高的结合强度,涂层度为0.2—0.5mm.广泛用于水电、污 水、建筑、空调、石油、化工、食品、医药、轻纺、造纸、给排水等流体管线上作为调节和截流使用,并可籍由材质的更改,以适用于水、气、油等不同介质,适用 温度-20~80℃。通过更换阀板密封圈、O型圈、蝶板、转轴等材质,可适用多种介质和不同温度。阀门自动控制装备有高品质电动执行机构或双作用气动执行 器,可以实现自动与手动双重启闭功能。
执行标准:
制造标准:GB/T 122387-89
法兰标准:GB9113-2000、GB17241.6-1998
结构长度标准:GB12221-89
检验标准:GB/T 13927-92
泄漏率:GB/T13927-92
脱硫蝶阀技术支持:
通过对国内外脱硫技术以及国内电力行业引进脱硫工艺试点厂情况的分析研究,目前脱硫方法一般可划分为燃烧前脱硫、燃烧中脱硫和燃烧后脱硫等3类。 其中燃烧后脱硫,又称烟气脱硫(Flue gas desulfurization,简称FGD),在FGD技术中,按脱硫剂的种类划分,可分为以下五种方法:以CaCO3(石灰石)为基础的钙法,以MgO为基础的镁法,以Na2SO3为基础的钠法,以NH3为基础的氨法,以有机碱为基础的有机碱法。世界上普脱硫遍使用的商业化技术是钙法,所占比例在90%以上。 按吸收剂及脱硫产物在脱硫过程中的干湿状态又可将脱硫技术分为湿法、干法和半干(半湿)法。湿法FGD技术是用含有吸收剂的溶液或浆液在湿状态下脱硫和处理脱硫产物,该法具有脱硫反应速度快、设备简单、脱硫效率高等优点,但普遍存在腐蚀严重、运行维护费用高及易造成二次污染等问题。 干法FGD技术的脱硫吸收和产物处理均在干状态下进行,该法具有无污水废酸排出、设备腐蚀程度较轻,烟气在净化过程中无明显降温、净化后烟温高、利于烟囱排气扩散、二次污染少等优点,但存在脱硫效率低,反应速度较慢、设备庞大等问题。 半干法FGD技术是指脱硫剂在干燥状态下脱硫、在湿状态下再生(如水洗活性炭再生流程),或者在湿状态下脱硫、在干状态下处理脱硫产物(如喷雾干燥法)的烟气脱硫技术。特别是在湿状态下脱硫、在干状态下处理脱硫产物的半干法,以其既有湿法脱硫反应速度快、脱硫效率高的优点,又有干法无污水废酸排出、脱硫后产物易于处理的优势而受到人们广泛的关注。按脱硫产物的用途,可分为抛弃法和回收法两种。
产品特点:
1. 蝶阀的操作机构选用灵活;
2. 蝶阀外观精美耐腐蚀性好;
3. 设计合理,结构紧凑,安装拆卸简单,便于维修;
4. 阀板密封面流态特性呈线性状态,具有较小的流阻系数,阀门流阻小;
5. 阀门两端口橡胶密封面突出球墨铸铁法兰面,阀门在管道安装时无需额外的橡胶密封垫片;
6. 采用中线型结构无偏心设计,具有显著的操作扭矩低的特征,配置电动装置时的经济性显著;
7. 采用衬胶结构,蝶板圆周形密封面精密加工至较高的光洁度,对橡胶阀座的摩擦系数极低,阀门使用寿命较长;
8. 独特设计的模压橡胶阀座具有均衡性和支撑性,有效避免受力不均造成的对橡胶的破坏,阀门处全关位置时,橡胶处于的压缩状态以保持低泄漏。
主要低部件:
阀体:灰铸铁、球墨铸铁、碳钢
蝶板:碳钢包覆橡胶、 碳钢包覆氟塑料、不锈钢 双相不锈钢板 1.4529、2507、C276
阀座:天然橡胶(NBR)、三元乙丙橡胶(EPDM)
阀杆:不锈钢、 2Cr13、304
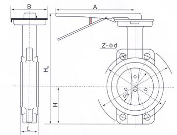
产品外形尺寸图

蝶阀所适用的场合
蝶阀适用于流量调节。由于蝶阀在管路中的压力损失比较大,大约是闸阀的三倍,因此在选择蝶阀时,应充分考虑管路系统受压力损失的影晌,还应考虑关闭时蝶板承受管道介质压力的坚固性。此外,还必须考虑在髙温下弹性阀座材料所承受工作温度的限制。
蝶阀的结构长度和总体高度较小,开启和关闭速度快,且具有良好的流体控制特性,蝶阀的结构原理适合于制作大口径阀门。当要求蝶阀作控制流量使用时,重要的是正确选择蝶阀的尺寸和类型,使之能恰当地、有效地工作。
通常,在节流、调节控制与泥浆介质中,要求结构长度短,启闭速度快(1/4转)。低压截止(压差小),推荐选用蝶阀。
在双位调节、缩口的通道、低噪声、有气穴和气化现象,向大气少量渗漏,具有磨蚀性介质时,可以选用蝶阀。
在特殊工况条件下节流调节,或要求密封严格,或磨损严重、低温(深冷)等工况条件下使用蝶阀时,需使用特殊设计金属密封带调节装置的三偏心或双偏心的专用蝶阀。
中线蝶阀适用于要求达到完全密封、气体试验泄漏为低、寿命要求较高、工作温度在-10~150℃的淡水、污水、海水、盐水、蒸汽、天然气、食品、药品、油品和各种酸臧及其他管路上。
软密封偏心蝶阀适用于通风除尘管路的双向启闭及调节,广泛用于冶金、轻工、电力、石油化工系统的煤气管道及水道等。
金属对金属线密封双偏心蝶阀适用于城市供热、供汽、供水及煤气、油品、酸碱等管路,作为调节和截流装置。
金属对金属面密封三偏心蝶阀除作为大型变压吸附(PSA)气体分离装置程序控制阀使用外,还可广泛用于石油、石化、化工、冶金、电力等领域,是闸阀、截止阀等的良好替代产品。
蝶阀的选用原则
(1)由于蝶阀相对于闸阀、球阀压力损失比较大,故适用于压力损失要求不严的管路系统中。
(2)由于蝶阀可以用作流量调节,故在需要进行流童调节的管路中宜于选用。
(3)由于蝶阀的结构和密封材料的限制,不宜用于髙温、高压的管路系统。一般工作温度在300℃以下,公称压力在PN40以下。
(4)由于蝶阀结构长度比较短,且又可以做成大口径,故在结构长度要求短的场合或是大口径阀门(如DN1000以上),宜选用蝶阀。
(5)由于蝶阀仅旋转就能开启或关闭,因此在启闭要求快的场合宜选用蝶阀。
安装注事事项:
1、安装前应核对蝶阀规格、压力、温度、耐腐性是否满足使用要求。 应检查各低部件是否损坏或松动。
2、本蝶阀可安装在任意角度的管道上,应关闭安装为宜;焊接管道法兰时应将阀门密封口用板挡住以防止颗粒、杂物挫伤密封面,焊后取下 阀门,对阀门密封面及管道内腔进行清洁,然后再安装固定阀门。
3、安装时请注意阀门关闭状态承压方向。
4、安装前应将密封面(两端密封面、蝶板密封面、阀座密封面)有效擦干净,去掉灰尘和污物。
5、安装前应空试蝶阀,启闭应灵活,启闭位置与指针指示位置相符合。
6、手动操作顺时针为关,逆时针为开,指针指示到位后不准再加力启闭阀门。
7、阀门做压力试验时,不准用单法兰进行安装试压,必须采用双法兰安装试压。其试验压力应符合GB/T13927-92标准规定。
8、紧固螺栓时应对称交替进行紧固,不准依次单独紧固。
9、限位螺钉出厂前,已经调好,不准轻易调整。若配置驱动装置为电动、气动请阅配套驱动装置说明书。
10、电动蝶阀出厂时已将控制机构的启闭行程调好。为防止电源接通时方向搞错,用户在接通电源前要先手动开启至半开位置,再按点动开关,检查指示盘方向与阀门开启方向一致即可。
11、发现阀门启闭失常应查明原因进行修理和排除,防止用加力方法开关阀门,造成阀门的损坏。